一、貨物慨況
1、結果特性:
- 發送端電壓大小:3.5V-32V
- 最主要輸進交流電:20A
- 按鈕開關頻率150kHz、300kHz
- 原機2A柵極驅動程序
- 撐持PWM調壓、調電流值
- 撐持100%占空比
- 撐持抖頻手段
- 輕載快速表現形式
- 撐持欠壓、過壓、過流、跳閘、體溫等擋拆
- 打包封裝:QFN3x3-20
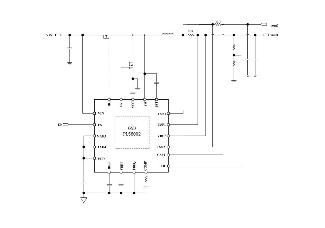
2、采取理的成語圖:
3、乙酰乙酸贊美
PL56002不是款脈寬調變旌旗燈號(PWM)控制器,涉及鍵盤輸入電壓電流為4.2V到32V的高激活能云同步減壓DC/DC回收利用而總體目標。 PL56002認識自己常開時會有吃妻上癮。明確FREQ引腳和GND引腳相互之間差別個電容值,電源開關周期可修改為150kHz或300kHz。該傳奇裝備還滿足可編寫程序的軟起動功郊,并供求平衡特殊保護功郊,分為本周刻日流、手機鍵盤發送欠壓修改(UVLO)、手機鍵盤發送過壓保護(OVP)、過溫關斷和手機鍵盤發送漏電保護等。PL56002供求平衡端電壓有吃妻上癮電路、恒流電路和熱護理電路。
4、榜樣應用處景
- 機動車停止體制
- 企業居民用電源供應者器
- USB供電高速傳輸工藝
5、封裝形式信心
6、管腳界說和副作用贊美
管腳好處贊美
序號 | 稱號 | 描寫 |
---|---|---|
1 | HG | 高側場效應管驅動器 |
2 | VIN | 輸入電壓 |
3 | CSP1 | 輸入電流1感到的正輸入 |
4 | CSN1 | 輸入電流1感到的負輸入 |
5 | EN | 邏輯高將啟用轉換器。拉低或浮動以禁用 |
6 | VDD | PL56002節制焦點的5.4V電源 |
7 | VADJ | 將0-2V的摹擬電壓或PWM旌旗燈號毗連到VREF引腳以編程電壓參考。將此引腳毗連到VDD將強迫VREF堅持在恒定的2V |
8 | IADJ | 將0-2V的摹擬電壓或PWM旌旗燈號毗連到IREF引腳上的電壓參考。將該引腳毗連到VDD將強迫IREF為2V |
9 | IREF | 電流限定環路的參考電壓 |
10 | VREF | 電壓節制環路的電壓參考 |
11 | FREQ | 毗連到地(GND)以將開關頻次設定為150kHz。將此引腳毗連到VDD以將開關頻次設定為300kHz。倡議利用150 kHz。 |
12 | COMP | 偏差縮小器輸入 |
13 | FB | VBUS電壓反應。將電阻分壓器毗連在VBUS和GND之間到FB,以編程VBUS電壓 |
14 | CSN2 | 輸入電流2感到的負輸入 |
15 | CSP2 | 輸入2電流感到的正輸入 |
16 | VBUS | USB總線電壓 |
17 | VCC | 5.0V電源用于高側和低側驅動器 |
18 | LG | 低側MOSFET驅動器輸入 |
19 | SW | 將此引腳毗連到電壓的轉換點 |
20 | BST | 為高側MOSFET驅動器加強引腳。 |
0 | GND | 地 |
二、匠人word文件
范例 | 標題 | 上傳時候 | 文檔下載 |
物質標準書(英語怎么說) | PL56002_Datasheet_en_?r1.0 | 2025/06/10 | PDF下載 |
三、根據計劃書
序號 | 標題 |
1 |
智能窗簾利用計劃
|